- Технические характеристики и другая информация предоставляются для справки.
- Чертежи и изображения представлены для ознакомления
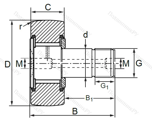
Опорный ролик KRV 35 PP
Конструктивно в Опорный ролик KRV 35 PP входят игольчатые тела качения и массивное наружно кольцо с профилированной рабочей поверхностью. Отсутствие сепараторной части позволило увеличить число иголок до максимального. В некоторых случаях, однако, деталь может комплектоваться сепаратором и внутренним кольцом – она является разъемной, с устанавливаемой отдельно шиной. Некоторые варианты изделий имеют сферическую или цилиндрическую наружную часть, а также антикоррозийную защиту типа Corrotect, увеличивающую срок эксплуатации.
Где устанавливается и какими характеристиками обладает Опорный ролик KRV 35 PP?
- Отличается более высокой грузоподъемностью, но при этом меньшей скоростью вращения в сравнении с аналогичными роликоподшипниками.
- Модель предназначена для взаимодействия с аксиальнонаправленными нагрузками высокого уровня и небольшими осевыми векторами приложения, возникающими при смещении и перекосе вала во время работы.
- При наличии обоймы внутри может монтироваться на осях, не прошедших предварительную обработку: шлифование, закалку.
Изделия производства FAG, NSK, SNR, SKF, KOYO, в том числе и Опорный ролик KRV 35 PP ГОСТ или его (аналог ISO), вы можете в пару кликов приобрести в нашем интернет-магазине!
| Бренд | CRAFT |
| Страна производитель | СИНГАПУР |
| Внутренний диаметр d | 16 мм |
| Внешний диаметр D | 35 мм |
| Ширина B(H) | 18 мм |
|
Производитель
|
CRAFT |
|
Ширина B
|
18 |
|
Внешний диаметр D
|
35 |
|
Внутренний диаметр d
|
16 |
|
Размер
|
16x35x18 |
|
Модель
|
KRV 35 PP |
Похожие по размеру
Оформить заказ на нашем сайте легко. Просто добавьте выбранные товары в корзину, а затем перейдите на страницу Корзина, проверьте правильность заказанных позиций и нажмите кнопку «Оформить заказ» или «Быстрый заказ».
Функция «Быстрый заказ» позволяет покупателю не проходить всю процедуру оформления заказа самостоятельно. Вы заполняете форму, и через короткое время вам перезвонит менеджер магазина. Он уточнит все условия заказа, ответит на вопросы, касающиеся качества товара, его особенностей. А также подскажет о вариантах оплаты и доставки.
По результатам звонка, пользователь либо, получив уточнения, самостоятельно оформляет заказ, укомплектовав его необходимыми позициями, либо соглашается на оформление в том виде, в котором есть сейчас. Получает подтверждение на почту или на мобильный телефон и ждёт доставки.
Если вы уверены в выборе, то можете самостоятельно оформить заказ, заполнив по этапам всю форму.
Выберите из списка название вашего региона и населённого пункта. Если вы не нашли свой населённый пункт в списке, выберите значение «Другое местоположение» и впишите название своего населённого пункта в графу «Город». Введите правильный индекс.
В зависимости от места жительства вам предложат варианты доставки. Выберите любой удобный способ.
Оплата
Выберите оптимальный способ оплаты.
Введите данные о себе: ФИО, адрес доставки, номер телефона. В поле «Комментарии к заказу» введите сведения, которые могут пригодиться курьеру, например: подъезды в доме считаются справа налево.
Проверьте правильность ввода информации: позиции заказа, выбор местоположения, данные о покупателе. Нажмите кнопку «Оформить заказ».
Наш сервис запоминает данные о пользователе, информацию о заказе и в следующий раз предложит вам повторить к вводу данные предыдущего заказа. Если условия вам не подходят, выбирайте другие варианты.
