- Технические характеристики и другая информация предоставляются для справки.
- Чертежи и изображения представлены для ознакомления
Подшипник роликовый радиально-упорный 72200/72487
Подшипник роликовый радиально-упорный 72200/72487 у которого конструкционной особенностью являются ролики в форме конуса и разъемный корпус. Изделие также может быть укомплектовано наружным кольцом с упорным бортиком или большим углом, двухрядными или четырехрядными роликоподшипниками, утолщенной внешней шиной.
Какие свойства характерны для Подшипник роликовый радиально-упорный 72200/72487?
- Установленные тела качения позволяют воспринимать одновременно односторонние осевые и аксиальные нагрузки, которые находятся в обратно пропорциональной зависимости друг от друга. Чем больше угол контакта, тем выше максимальная возможность восприятия воздействий по оси, и наоборот.
- Составные части детали можно разбирать и собирать по собственному усмотрению, что упрощает их демонтаж и замену при необходимости.
- Деталь отличается повышенной износостойкостью и долговечностью, может использоваться в широком рабочем диапазоне температур, стойко противостоит коррозиям и механическим повреждениям.
- Активно эксплуатируется в машиностроительной, пищевой, медицинской, сельскохозяйственной промышленности.
Ищете качественную продукцию компаний FAG, KOYO, NSK, SKF, SNR? У нас вы можете приобрести Подшипник роликовый радиально-упорный 72200/72487 ГОСТ или его (аналог ISO) и другие конструкции по умеренной стоимости!
Технические характеристики
Обозначение : 72200/72487
Размеры, мм : 50.8x123.825x36.512
Производитель : NSK
Диаметр внутренний, мм : 50,8
Диаметр наружный, мм : 123,825
Высота, мм : 36,512
Технические данные из каталога производителя :
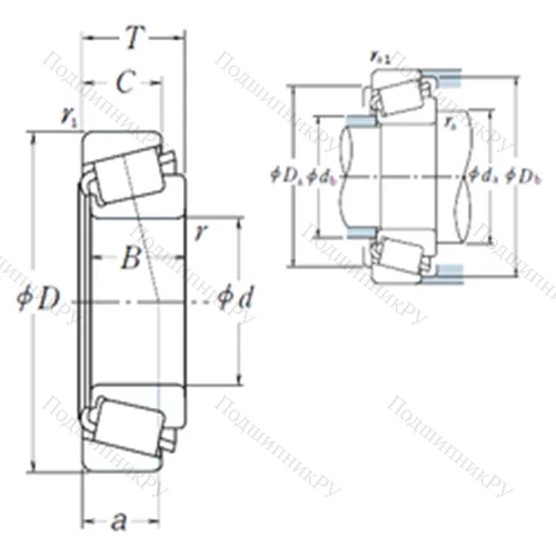
Внутренний диаметр (d) - 50,8 мм.
Наружный диаметр (D) - 123,825 мм.
Ширина рабочая (T) - 36,512 мм.
Ширина (высота) (B) - 32,791 мм.
Ширина наружной обоймы (C) - 25,4 мм.
Размер сопряженных деталей (ra1 max.) - 3,3
Размер (a) - 37 мм.
Размер (r min.) - 3,5 мм.
Размер (r1 min.) - 3,3 мм.
Размер сопряженных деталей (Da) - 102
Размер сопряженных деталей (db) - 66
Размер сопряженных деталей (ra max.) - 3,5
Размер сопряженных деталей (da) - 74
Размер сопряженных деталей (Db) - 116
Масса - 2,01 Кг
Грузоподъемность динамическая (C) - 143 кН
Грузоподъемность статическая (C0) - 160 кН
Частота вращения предельная при пластичной смазке - 3000 об/мин
Частота вращения предельная при жидкой смазке - 4000 об/мин
Расчетный коэффициент (e) - 0,74
Расчетный коэффициент (Y0) - 0,45
Расчетный коэффициент (Y1) - 0,81
Количество дорожек качения - 1
Уплотнение - Нет
|
Производитель
|
NSK |
|
Ширина B
|
36 |
|
Внешний диаметр D
|
123 |
|
Внутренний диаметр d
|
50 |
|
Размер
|
50x123x36 |
|
Вес, кг
|
2.01 |
|
Модель
|
72200-72487-NSK |
|
SKU
|
72200-72487-NSK |
Похожие по размеру
Оформить заказ на нашем сайте легко. Просто добавьте выбранные товары в корзину, а затем перейдите на страницу Корзина, проверьте правильность заказанных позиций и нажмите кнопку «Оформить заказ» или «Быстрый заказ».
Функция «Быстрый заказ» позволяет покупателю не проходить всю процедуру оформления заказа самостоятельно. Вы заполняете форму, и через короткое время вам перезвонит менеджер магазина. Он уточнит все условия заказа, ответит на вопросы, касающиеся качества товара, его особенностей. А также подскажет о вариантах оплаты и доставки.
По результатам звонка, пользователь либо, получив уточнения, самостоятельно оформляет заказ, укомплектовав его необходимыми позициями, либо соглашается на оформление в том виде, в котором есть сейчас. Получает подтверждение на почту или на мобильный телефон и ждёт доставки.
Если вы уверены в выборе, то можете самостоятельно оформить заказ, заполнив по этапам всю форму.
Выберите из списка название вашего региона и населённого пункта. Если вы не нашли свой населённый пункт в списке, выберите значение «Другое местоположение» и впишите название своего населённого пункта в графу «Город». Введите правильный индекс.
В зависимости от места жительства вам предложат варианты доставки. Выберите любой удобный способ.
Оплата
Выберите оптимальный способ оплаты.
Введите данные о себе: ФИО, адрес доставки, номер телефона. В поле «Комментарии к заказу» введите сведения, которые могут пригодиться курьеру, например: подъезды в доме считаются справа налево.
Проверьте правильность ввода информации: позиции заказа, выбор местоположения, данные о покупателе. Нажмите кнопку «Оформить заказ».
Наш сервис запоминает данные о пользователе, информацию о заказе и в следующий раз предложит вам повторить к вводу данные предыдущего заказа. Если условия вам не подходят, выбирайте другие варианты.

