Подшипниковый узел SSUCFPL 202 - Вал: 15 мм
- Технические характеристики и другая информация предоставляются для справки.
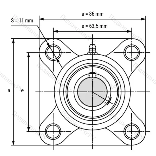
- Чертежи и изображения представлены для ознакомления
Подшипниковые узлы SS-UCFPL202 представляют собой элемент конструкции, который объединяет подшипник SSUC 202 и корпус подшипника FPL 204. Эти детали используются с целью создания опоры для вращающихся валов и фиксируются на рабочей поверхности при помощи болтов. Основные характеристики изделия: внутренний диаметр 15 мм, допуск на внутренний диаметр 0,015/0 мм, вес 0.31 кг.
- состоит из вкладыша подшипника из нержавеющей стали SSUC 202 и корпуса из термопласта FPL 204
- Фланцевый подшипник с 4 отверстиями позволяет устанавливать его в различных условиях и подходит для очень высоких радиальных нагрузок
- корпус изготовлен из пластика и поэтому легкий, гигиеничный, устойчивый к коррозии и амортизирующий
- вкладыш подшипника из нержавеющей стали также устойчив к коррозии и имеет удлиненное внутреннее кольцо с резьбовыми штифтами
- Фланцевый подшипник крепится на валу с помощью двух установочных винтов
- плавный ход и хорошее поведение при опрокидывании благодаря расширенному внутреннему кольцу
- статические смещения могут быть компенсированы до угла 2°
- двухкомпонентная система уплотнения: внутри резиновое уплотнение, усиленное шайбой из листовой стали; снаружи дополнительно с передним отражателем из листовой стали для высокой механической защиты от посторонних предметов
- смазка на всю жизнь; при нормальных условиях эксплуатации повторная смазка не требуется
- подшипник смазан на весь срок службы смазкой для пищевой промышленности FM 222 для нормальных условий эксплуатации
- подшипник используется, в частности, в пищевой промышленности и производстве напитков, а также в фармацевтической промышленности
- корпус со встроенным смазочным отверстием
- В дополнение к этому артикулу мы также можем предложить подшипники марок FAG, KOYO, NSK, SKF, SNR и др. по запросу.
|
Производитель
|
LPZ |
|
Внешний диаметр D
|
86 |
|
Внутренний диаметр d
|
15 |
|
Размер
|
15x86 |
|
Вес, кг
|
0.31 |
|
SKU
|
SS-UCFPL202 |
Кроссы подшипников
Оформить заказ на нашем сайте легко. Просто добавьте выбранные товары в корзину, а затем перейдите на страницу Корзина, проверьте правильность заказанных позиций и нажмите кнопку «Оформить заказ» или «Быстрый заказ».
Функция «Быстрый заказ» позволяет покупателю не проходить всю процедуру оформления заказа самостоятельно. Вы заполняете форму, и через короткое время вам перезвонит менеджер магазина. Он уточнит все условия заказа, ответит на вопросы, касающиеся качества товара, его особенностей. А также подскажет о вариантах оплаты и доставки.
По результатам звонка, пользователь либо, получив уточнения, самостоятельно оформляет заказ, укомплектовав его необходимыми позициями, либо соглашается на оформление в том виде, в котором есть сейчас. Получает подтверждение на почту или на мобильный телефон и ждёт доставки.
Если вы уверены в выборе, то можете самостоятельно оформить заказ, заполнив по этапам всю форму.
Выберите из списка название вашего региона и населённого пункта. Если вы не нашли свой населённый пункт в списке, выберите значение «Другое местоположение» и впишите название своего населённого пункта в графу «Город». Введите правильный индекс.
В зависимости от места жительства вам предложат варианты доставки. Выберите любой удобный способ.
Оплата
Выберите оптимальный способ оплаты.
Введите данные о себе: ФИО, адрес доставки, номер телефона. В поле «Комментарии к заказу» введите сведения, которые могут пригодиться курьеру, например: подъезды в доме считаются справа налево.
Проверьте правильность ввода информации: позиции заказа, выбор местоположения, данные о покупателе. Нажмите кнопку «Оформить заказ».
Наш сервис запоминает данные о пользователе, информацию о заказе и в следующий раз предложит вам повторить к вводу данные предыдущего заказа. Если условия вам не подходят, выбирайте другие варианты.




